联合中标并共同承担方案设计。项目位于上海浦东新区临港重装备产业区和物流园区内,主要功能为研发及配套服务设施。总建筑面积约 21.4 万平方米,共由7栋高层建筑,16栋多层建筑组成,一层地下室。
主入口
东主入口立面
除东4楼采用装配式钢框架结构外,其余单体地上部分均采用装配整体式钢筋混凝土结构,单体预制率不低于40%,满足上海沪建管联〔2014〕901号《关于推进本市装配式建筑发展的实施意见》的要求。
其中单体西1,西2楼为创新示范工程,装配预制率不低于45%,并采用了多项创新技术。满足沪建建材联〔2016〕432号《上海市建筑节能和绿色建筑示范项目专项扶持办法》中对于装配整体式建筑示范项目的要求。
本项目预制构件包括:框架柱、主次梁、楼板、楼梯以及挑板和女儿墙等。
预制柱
预制梁
预制楼梯板
预制双T板
创新技术
本项目面积大,单体数量多,同时又要满足预制装配比例要求,对设计、现场施工与管理都是一次非常大的考验。为顺利推进项目,同济设计团队从以下4个方面进行了创新设计,确保有效解决技术难题。
装配式混凝土结构消能减震结构体系
本工程西1、西2楼为高层建筑,若按常规体系采用框架剪力墙结构,则剪力墙部分需要现浇,增加现场湿作业,不利于预制率的提高;且刚度的增加会导致预制框架部分的构件尺寸较大,造成运输和施工吊装困难。
经比选,采用了设置黏滞阻尼器的装配整体式钢筋混凝土框架结构。其优点在于不会给结构增加额外的刚度,且在多遇地震作用下就能显著耗能,减小地震剪力和位移角。据统计,黏滞阻尼器替代剪力墙之后,提高了建筑的预制装配程度(单体预制率≥45%),减少了结构自重(混凝土用量减少7%),同时增强了装配式建筑的抗震能力和防灾性能。
黏滞阻尼器实物
黏滞阻尼墙连接示意图
西1楼阻尼器布置图
装配整体式混凝土框架结构简化节点连接
为解决框架节点钢筋密集、施工困难的突出问题,设计团队优化了框架梁柱和节点的配筋及连接方式,包括:框架柱四角集中配置受力纵筋、框架梁底筋节点区钢筋避让、采用钢筋锚固板的框架顶层端节点,有效提高装配式框架的施工效率。
典型中层边柱节点构造
典型框架梁底筋错位排布构造
顶层梁柱节点构造
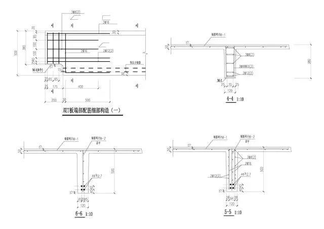
预制预应力混凝土双T板叠合楼盖技术
本项目标准柱网为8.4mx8.4m,因此大量采用预制预应力混凝土双T板,取消次梁,提高施工效率并降低造价,局部柱距较密,则采用钢筋桁架叠合板。
双T板
钢筋桁架叠合板
西1楼典型楼层预制板布置图(红色为双T板,蓝色为钢筋桁架叠合板)
为了满足公共建筑装配式混凝土结构对大跨楼盖结构的需求,设计团队研究了先张法预应力混凝土双T板变截面端部设计方法以及L形、倒T形梁的挑耳设计方法。
典型双T板梁板节点
双T板端部节点构造
双T板端部节点构造实物
BIM和RFID(无线射频识别芯片)技术在装配式建筑中的应用
在装配式建筑的设计、生产、施工、运维等各个阶段,均应用RFID(无线射频识别芯片)技术实现预制构件的信息自动化采集,同时结合BIM技术进行精细化设计、提高预制构件制作精度、加强施工管理水平并节省工程造价、为项目运营维护提供准确的工程信息,实现装配式建筑的全生命周期信息化管理。
中间层边跨梁柱节点BIM模型
钢筋桁架叠合板BIM管综模型
双T板受力边节点模型
装配式楼梯模型
科研进展
以本工程为基础,同济设计集团申报了国家住建部装配式建筑科技示范工程项目和上海市科委计划项目“高预制率装配式绿色生态产业园区关键技术与集成示范”。工程设计人员还参与了国标图集《装配式混凝土结构连接节点构造(2015年合订本)》G310-1~2的编制工作。
国标图集
项目名称:临港重装备产业区 H36-02 地块项目
建筑地点:上海浦东新区临港重装备产业区和物流园区
设计时间:2016.2-2017.2
设计单位:同济大学建筑设计研究院(集团)有限公司建筑设计三院
合作设计:德国gmp国际建筑设计有限公司
占地面积:8.4万平方米
建筑面积:21.4万平方米
项目总负责人:王文胜
建筑:史巍、程熠、陶匡义、潘心怡、张帆、王菁
结构:耿耀明、周汉杰、冯峰、沙全治、赵永磊、王海霖、邹诚、刘志远、胡锡勇、张思奇
给排水:李意德、潘若平、肖乐、何音腩、韩欣洋、阮群
暖通:常爱青、苏志、袁寅、何克青
电气:冯明哲、麻伟男、顾巍
BIM:张峥、张东升、杜明
(欢迎各大媒体转载,全面宣传推广装配式建筑!转载请注明出处)

BIM建筑网


























