©CAAI
本案所在区位为河南未来陆空交通枢纽地带,属城市未来规划南拓之核心所在。在前期规划设计中,我们借鉴了《周礼·考工记》,同时融入本土中原文化符号,试图引古论今,从城市层面打造属于郑州的“国风城市桃花源”。
©CAAI
本案中整个大区以“南园北苑”为整体造园规划逻辑。而在“南园”中,我们引入中国古园林造园思路将最重要的建筑作为整个序列的起点,其以一种开放的姿态面向城市,成为城市级别的公共客厅。建筑正面更是以一道圆弧来呼应接纳前方的主体园林。
△ 轴测图
©Mingjing
设计希望能体现建筑与中国传统宇宙观的关系,最终提炼出形式上的“三道弧、两个口与一束光”。时间和空间已在第一道穹宇之弧和第二道四方之弧之间形成,第三道入口之弧则是整个立面形式序列的中心焦点。当建筑倒影于水面之上,虚实相间的两道弧线形成了一只眼睛,而通过这只眼睛仿佛望向时间与空间转换的交汇之处。
△ 形体分析图
©CAAI
整个建筑有两个开口,一个朝向西侧的花园,另外一个朝向天空。入口引导行人的汇聚,朝向天空给人予仰望与反思。建筑内部的圆形空间,取意于中国传统建筑中的“庭”与“院”的概念,庭院连通天地,有别于外部与室内空间,为建筑空间打开了另一个维度,时空在此交融。
©CAAI
中庭的正中心摆放着我们原创设计的艺术装置“时光容器”,它置于空间交汇的中心,以三角锥体的呼应圆形内庭,直曲对比,明暗交融,与倒影一起如沙漏般暗示着时光的流逝。
©CAAI
在形式设计和材料选择上,我们希望形式有着东方特有的美,故“浑厚”与“蕴藉”便成了与色泽与融入关系对应的关键词。相之于简单直白的美,浑厚的质感更加委婉含蓄。在光泽度方面,我们选用了磨砂陶砖、亚光复合铝塑板与拉丝不锈钢等一系列亚光材质,又根据其之间不同的光泽特性在高度上进行排列组合。
©CAAI
建筑一层分为外部曲直相交的方形砖墙与内部圆筒砖墙,由10万块陶砖组合而成。通过大面积实体错缝拼接与局部渐变镂空的砖墙组合方式,达到纹理渐变效果,其中在转角与窗户交接处分别做了锐角收分处理,让细节更为挺拔。
©CAAI
拱形吊顶的结构系统为空间复合网架系统,不仅作为悬吊下方木纹拱形吊顶的主要幕墙龙骨,同时也是建筑主体受力结构的一部分。其上方分别承载了建筑内部特色大台阶空间及用于三层大屋顶悬挑的双柱系统,也是整体建筑结构的难点所在。
©CAAI
为了尽可能达到极致的悬挑尺度与轻薄度,我们采用了两种创新结构体系——筒型双柱系统与屋顶复合桁架系统,悬挑达到12米之多,最薄处仅为15公分。屋面选用暗灰蓝色铝镁锰直立锁屋面,在鸟瞰中与天空大地相融。
△ 结构分析
©CAAI
©Mingjing
©CAAI
△ 材料分析1
△ 材料分析2
△ 材料分析3
△ 材料分析4
△ 材料分析5
△ 材料分析6
△ 总平面图
△ 一层平面图
△ 二层平面图
△ 三层平面图
△ 1-1剖面图
△ 2-2剖面图
△ 3-3剖面图
△ 东立面图
△ 北立面图
△ 南立面图
△ 西立面图
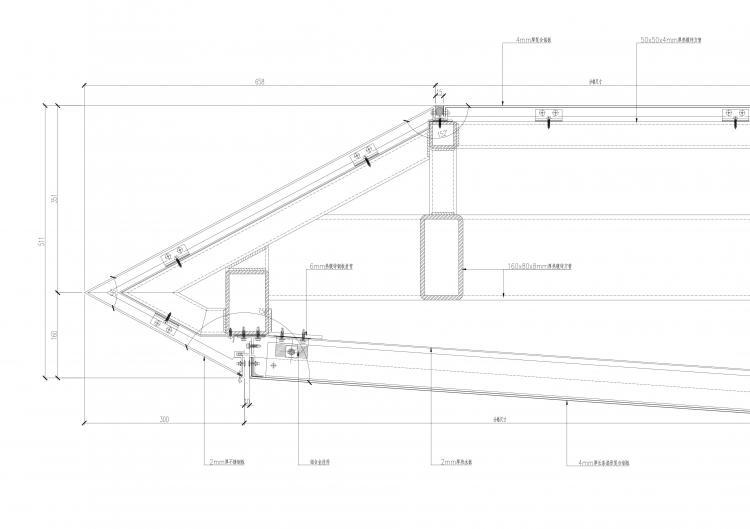
△ 节点详图1
△ 节点详图2
△ 节点详图3
△ 节点详图4
△ 节点详图5
△ 节点详图6
△ 节点详图7
项目信息
项目名称:建业·蓝海郑风酒店综合体
项目位置:郑州,新郑市中华北路与莲花路交汇处向西800米路北
业主单位:建业住宅集团(中国)有限公司
项目公司:河南百力汇实业有限公司
建筑设计:上海日清建筑设计有限公司
项目总负责:宋照青、赵晶鑫
设计团队:张铎、陈良鹏、冀林娟
业主团队:祖克千、王国华、赵婷、刘宽、韩乾、王梦娣
景观设计:广州山水比德设计股份有限公司
室内设计:岭界建筑设计咨询(上海)有限公司
幕墙设计:肯佩斯幕墙工程顾问(上海)有限公司
幕墙施工:河南建祥装饰工程有限公司
灯光设计:上海色点照明设计事务所(普通合伙)
建筑面积:5110㎡
设计时间:2019.10
竣工时间:2020.11
建筑摄影:行知影像、明境建筑摄影

BIM建筑网































































