BIM建筑网
更专业的BIM技术学习网站!


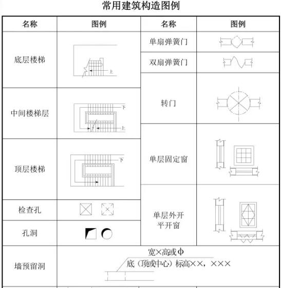
装配式研究|建筑工程图纸代号大全,从此识图毫无压力!

干了这么多年的土建,对于机电专业图纸仍然头大,对于一些不常见的图纸构件代号依然很陌生,其实专业图纸难就难在复杂的代号。今天为大家奉上图纸代号最全合集!

装配式研究|建筑工程图纸代号大全,从此识图毫无压力!

装配式研究|建筑工程图纸代号大全,从此识图毫无压力!

装配式研究|建筑工程图纸代号大全,从此识图毫无压力!

装配式研究|建筑工程图纸代号大全,从此识图毫无压力!

装配式研究|建筑工程图纸代号大全,从此识图毫无压力!

装配式研究|建筑工程图纸代号大全,从此识图毫无压力!

装配式研究|建筑工程图纸代号大全,从此识图毫无压力!

装配式研究|建筑工程图纸代号大全,从此识图毫无压力!

装配式研究|建筑工程图纸代号大全,从此识图毫无压力!

装配式研究|建筑工程图纸代号大全,从此识图毫无压力!

微信公众号:xuebim
关注建筑行业BIM发展、研究建筑新技术,汇集建筑前沿信息!
← 微信扫一扫,关注我们+
赞(0) 打赏
BIM建筑网 » 装配式研究|建筑工程图纸代号大全,从此识图毫无压力!

BIM建筑网,更专业的BIM技术学习网站!

关注建筑新动态,分享建筑新技术

联系我们关于BIM建筑网

觉得文章有用就打赏一下小编吧

非常感谢你的打赏,我们将继续提供更多优质内容,让我们一起创建更加美好的网络世界!

支付宝扫一扫打赏

微信扫一扫打赏

扫码登录

微信「关注」,快捷登录
扫码关注后会自动登录
注册登录代表您已同意《用户许可协议》
账号登录 | 其他登录

|登录

找回密码

|账号登录注册