这条连接沙特阿拉伯主要城市麦加、麦地那、吉达和开城(KAEC)的450公里高铁首次为参加古尔邦节(Eid)的乘客开放。沿线的四个车站将被建设为每座城市的门户建筑,受到该地区传统建筑的启发,该项目将提供一个遮阳场所,同时为沙特阿拉伯的可持续交通打下新的基础。
福斯特事务所的负责人卢克•福克斯表示:“我们很高兴哈拉曼高铁运营成功,将朝圣者带到麦加和麦地那圣城。新车站的设计注重乘客的舒适度,同时和旅行中的兴奋感与惊奇感密不可分。”
车站采用模块化建造,设计元素与沿途所有车站相同。受该地区许多传统建筑的柱廊启发,钢柱和拱门形成独立的树状结构,分布在一个方形网格上,相互连接形成一个灵活的拱形屋顶。每个车站的拱顶都有不同的颜色,以反映不同城市的(BIM设计)特点。
车站可以在高峰期内达到每小时迎接2万名乘客。因此,空间布局遵循列车的方向,有助于乘客直观地在车站内定位,车站几乎没有楼层变化,并且站内设有供乘客避暑解热的休憩空间。拱形的屋顶和墙壁开了小窗,将阳光引入车站大厅内,并控制来自太阳的强烈眩光,创造安静、有氛围且光线充足的环境。悬挂在拱门之间的球形吊灯提供了集中照明,有助于调和屋顶和大厅之间的比例,突出匀称的结构。
该项目的主要挑战之一在于车站的设计和建造完全独立于土建工程和轨道安装。因此,车站的设计和工作流程的规划都事先做好,以便土建工程能够同时进行。
除了运营和结构上的灵活性,该车站还提供与城市内部其他交通网络的无缝连接,特别是与吉达地铁的无缝连接。吉达地铁以及车站周边的开发项目也是由福斯特事务所设计的。
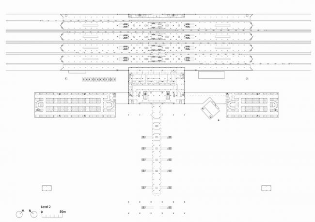
▲ 平面图
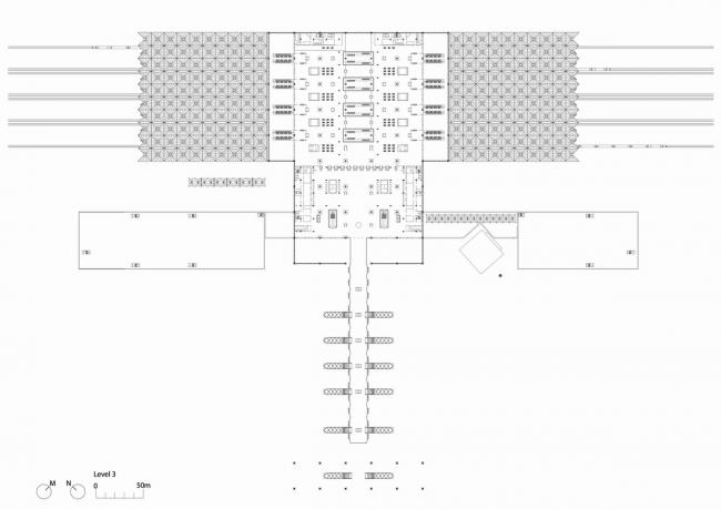
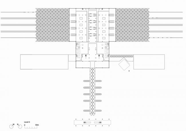
福斯特事务所高级合伙人安格斯•坎贝尔说:“我们设计的这四个车站,在整个网络中采用了一致的方法和直观的寻路策略。车站采用共用一个27米的方形网格,包含车顶、大堂和月台。该组件足够灵活,可为直达站和终点站重新配置,同时亦可扩展车站,以应对乘客不断改变的需求。”
可持续发展是贯穿整个项目的一个重要主题。车站建筑的设计基于毡层降温的原则——从车站外部到站台,环境温度逐渐降低,而整个过程不需要进行机械冷却。在火车站内部,温度保持在28摄氏度,站台上有大型风扇和喷雾装置,有助于保持该地区的凉爽。包裹着玻璃外墙的Mashrabiyas窗扉也有助于降低室内温度,同时允许一瞥车站外的景象。
这些车站的设计是为了满足不断增长的乘客需求,从最初预计的每年6000万到1.35亿乘客。随着火车以每小时300公里的最高速度运行,麦加和麦地那之间的旅行时间将减少到2小时20分钟。运营将从35列火车开始,每列火车最多可搭载417名乘客。
设计图纸:
▲ 平面图
▲ 平面图
▲ 平面图
▲ 平面图
▲ 立面和剖面
项目信息:
设计方:Foster + Partners
地址:哈拉曼高铁站 沙特阿拉伯
类别:火车站
建筑面积:459797.0 m2
项目年份:2019
摄影师:Nigel Young
客户:Saudi Rail Organisation
设计团队:Norman Foster, Luke Fox, Angus Campbell, Tony Miki, Young Wei-Yang Chiu, Pearl Tang, Perry Ip, Diego Bleck, Jurgen Kuppers, Angelika Kovacic, Seif A Bahaa Eldin, Vincent Westbrook, Jayendra Shah, Yusuke Tsutsui, Dirk Jantz, Eirini Kouka, Melissa Clinch, Oliver Flindall, Takuji Hasegawa, Merino Ranallo, Huw Thomas, Alistair Lenczner, D'Arcy Fenton, Sam Van Welden, Andrew Gardner, Yu-La Kim, Will Chan, Julian Sattler, Piotr Ehrenhalt, Siriwat Patchimasiri, Francisca Estarellas Galmes, Mark Thompson, Matilde Napoleao, Matthew Fajkus, Hector Pascalidis, Premveer Nagpal, Lorena Franco
结构顾问:Buro Happold
造价顾问:Davis Langdon
景观(BIM建筑)顾问:Captiva Lovejoy
照明工程师:Jason Bruges / Buro Happold
阴影控制:Steer Davies Gleave
人流控制:Steer Davies Gleave
自然石材顾问:Sandberg
日光设计:Bartenbach LichtLabor
立面和屋顶安装:Hoare Lea
本地顾问:DAR Al Riyadh

BIM建筑网















